오리피스 스팀트랩의 한계인 응축수 부하 변동에 최적으로 적응할 수 있도록 세계 최초로 개발된
변동형 오리피스 제품며, 기존 오리피스 스팀트랩의 과잉설계를 방지함으로서 스팀 절감에 최적화된 제품입니다.
| Core 종류 | 작동온도(℃) |
|---|---|
| High | 120 ~ 130 |
| Middle | 100 ~ 110 |
| Low | 85 ~ 95 |
| LowLow | 70 ~ 80 |
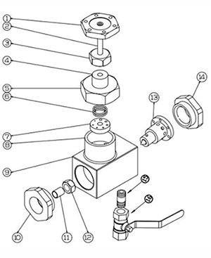
| 번호 | 부품 | 재질 |
|---|---|---|
| ① | Handle | Stainless steel (304) |
| ② | Shaft | Stainless steel (304) |
| ③ ⑤ | Cover 1, 2 | Stainless steel (304) |
| ④ | Gasket | Stainless steel (304) |
| ⑥ | Pressure adjustment spring | Stainless steel (304) |
| ⑦ | Multinozzle | Stainless steel (304) |
| ⑧ | Nozzle support | Stainless steel (304) |
| ⑨ | Body | Stainless steel (304) |
| ⑩ ⑭ | Bushing | Stainless steel (304) |
| ⑪ | Nozzle | Stainless steel (304) |
| ⑫ | Nut | Stainless steel (304) |
| ⑬ | Temperature control | |
| ⑮ | Nipple | Stainless steel (304) |
| ⑯ | Ball valve | Stainless steel (304) |
| Screw type | Flange type | |||||
|---|---|---|---|---|---|---|
| 15A | 20A | 25A | 15A | 20A | 25A | |
| L | 110 | 주문 제작 | ||||
| H | 55 | |||||
| Items | Values | |
|---|---|---|
| 적용유체 | Steam, water | |
| 최대사용압력(PMO) | 25kgf/cm2 | |
| 최고사용온도(TMO) | 225 ℃ | |
| 최소 작동 배압 | Max. 90% | |
| 부하변동 | Max. 유량까지 | |
| 응축수 배출량 | 15/20/25A | Max. 2.2ton/hr |
| 연결 방법 | PT Screwed, Flanged | |
| 재질 – Body, nozzle, bolt | Stainless Steel | |
| 재질 – Gasket | CU, Teflon | |